
T型槽平台|T型槽平板开槽间距及参照标准
客户在选择T型槽平台,T型槽平板,电机试验平台,装配平台及机床工作台的时候,不知道需要用多大的螺栓及T型槽开口尺寸,包括T型槽的间距,全意重工详细把T型槽的标准及螺栓使用情况整理出来,供客户选择参考,希望能给大家带来一些帮助。
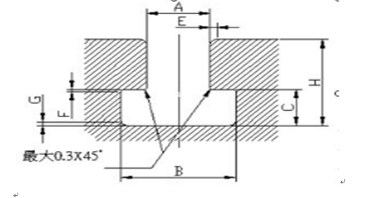
一、T型槽的各部位代表意义(见下图、表格)
T型槽各部位尺寸 单位mm T型槽配套螺栓尺寸 单位mm
A
基本
尺寸
|
B
小 大
|
C
小 大
|
H
小 大
|
d
公称
尺寸
|
S
大
尺寸
|
K
大
尺寸
|
备注
|
|||
5
|
10
|
11
|
3.5
|
4.5
|
8
|
10
|
M4
|
9
|
3
|
一般T型螺
栓尺寸要小
于T型槽尺
寸,这样才
能保证螺栓
能在T型槽
里面滑动。
|
6
|
11
|
12.5
|
5
|
6
|
11
|
13
|
M5
|
10
|
4
|
|
8
|
14.5
|
16
|
7
|
8
|
15
|
18
|
M6
|
13
|
6
|
|
10
|
16
|
18
|
7
|
8
|
17
|
21
|
M8
|
15
|
6
|
|
12
|
19
|
21
|
8
|
9
|
20
|
25
|
M10
|
18
|
7
|
|
14
|
23
|
25
|
9
|
11
|
23
|
28
|
M12
|
22
|
8
|
|
18
|
30
|
32
|
12
|
14
|
30
|
36
|
M16
|
28
|
10
|
|
22
|
37
|
40
|
16
|
18
|
38
|
45
|
M20
|
34
|
14
|
|
28
|
46
|
50
|
20
|
22
|
48
|
56
|
M24
|
43
|
18
|
|
36
|
56
|
60
|
25
|
28
|
61
|
71
|
M30
|
53
|
23
|
|
42
|
68
|
72
|
32
|
36
|
74
|
85
|
M36
|
64
|
28
|
|
48
|
80
|
85
|
36
|
40
|
84
|
95
|
M42
|
75
|
32
|
|
54
|
90
|
95
|
40
|
44
|
94
|
106
|
M48
|
85
|
36
|
|
T型槽标准:按照国标(GB/T158-1996)标准制造
二、T型槽平台,T型槽平板,T型槽工作台,电机试验平台,装配平台的T型槽间距
T型槽间距(表格)单位mm
T型槽开口宽度A
|
T型槽间距尺寸P
|
|||
5
|
|
20
|
25
|
32
|
6
|
|
25
|
32
|
40
|
8
|
|
32
|
40
|
40
|
10
|
|
40
|
50
|
63
|
12
|
(40)
|
50
|
63
|
80
|
14
|
(50)
|
63
|
80
|
100
|
18
|
(63)
|
80
|
100
|
125
|
22
|
(80)
|
100
|
125
|
160
|
28
|
100
|
125
|
160
|
200
|
36
|
125
|
160
|
200
|
250
|
42
|
160
|
200
|
250
|
320
|
48
|
200
|
250
|
320
|
400
|
54
|
250
|
320
|
400
|
500
|
注:T形槽間距p欄中,括號內的數值與T形槽槽底寬度 大值之差值,可能較小,應避免使用。
相對於每個T形槽寬度,表2中給出三個間距,應根據使用需要條件選擇T形槽間距。
特殊情況需採用其他尺寸間距時,則應符合下列原則:
1)採用數值大於或小於規定T形槽間距P的尺寸時,應從優先數系R10系列的數值中選取;
2)採用數值在規定T形槽間距p的尺寸范圍內,則應從優先數系R20系列的數值中選取。
3)注:任一T形槽的極限偏差都不適累計誤差.
T型槽平板详情:/pbpt/586.html
全意重工 生产T型槽平台,T型槽平板,装配平台,装配平板,铸铁工作台,电机试验平台,
机床工作台等开槽铸铁平台、铸铁平板产品,产品出口捷克,德国,意大利,西班牙,沙特韩国,
印度,越南,澳大利亚等国家,出口品质值得信赖!
.
中文版
English







